Гидронасос аксиально-поршневой 310.4.56 с наклонным блоком,
правого вращения, нерегулируемый
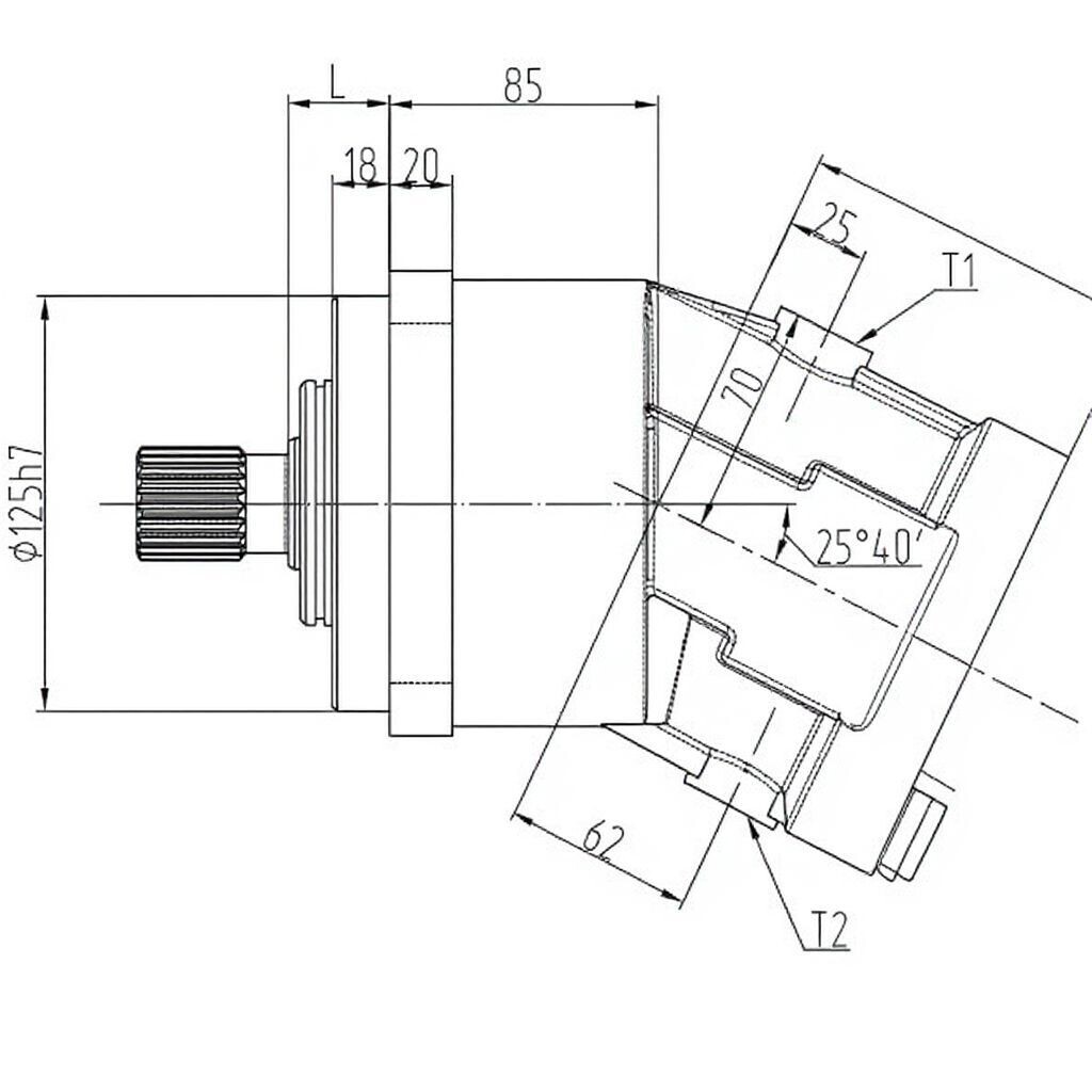
исполнение вала: шлицевое по ГОСТ 6033-80,
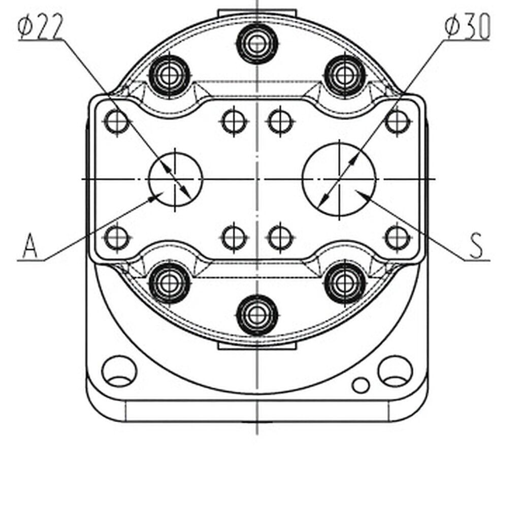
расположение рабочих каналов: 2 фланца на торце
Основные параметры гидронасоса 310.4.56 (информация справочная, не является публичной офертой):
|
Рабочий объем Vg, см3/об |
56 |
|
Направление вращения |
правое |
|
Монтажный фланец |
ISO 3019/2, 4 отверстия |
|
Исполнение вала |
шлицевое по ГОСТ 6033-80 |
|
Параметры вала |
35xf7x2x9g |
|
Расположение рабочих каналов |
2 фланца на торце |
|
Присоединение рабочих каналов |
рабочая линия A - ⌀22, линия всасывания S - ⌀30, отверстия М8 |
|
Встроенная гидроаппаратура и электроаппаратура |
отсутствует |
|
Климатическое исполнение |
Умеренный и холодный климат, размещение на открытом воздухе |
Наклонный блок с углом наклона 25°
Гидронасос 310.4.56 преобразует механическую энергию вращения вала в гидравлическую энергию потока рабочей жидкости.
Гидронасос 310.4.56 предназначен для работы в открытых и закрытых гидросхемах стационарных и мобильных установок.
Гидронасос 310.4.56 преобразует механическую энергию вращения вала в гидравлическую энергию потока рабочей жидкости
Гидронасос 310.4.56 предназначен для работы в открытых и закрытых гидросхемах стационарных и мобильных установок.
Примеры применения гидромашины серии 310.(3)4.56 (информация справочная, не является публичной офертой):
Гидроманипуляторы: Синегорец-75, ПЛ-70, ИФ-300С, ЛВ-185, ОМТЛ-70, ОМТЛ-70-01, ОМТЛ-70-02,ОМТЛ-70-03, ОМТЛ-70-04, ОМТ-97М, ОМТ-120М, СФ-65, СФ-62,СФ-75, СФ-140;
Автокраны: КС-55713-К и его модификации (25 т), КС-55729 и его модификации (32 т), КС-65721 и его модификации (60 т), КС-5576Б (32 т), КС-45721 (25 т), КС-55730 (32 т), КС-65711- 34 (40 т), КС-65740 (40т);
Автоподъемники: АПТ-35, АПТ-32, АПТ-28 строительные и коммунальные, Пеноподъемники пожарные ПП-37, АКП-30, АКП-32, АКП-35 пожарные, Вышки телескопические ВТ-26, ВТ-32, Пожарная автолестница АЛ-30, АЛ-31, АЛ-37;
Бульдозеры: БелАЗ-78231, БелАЗ-7823;
Гусеничные краны: КС-5671-1 гусеничный (25 т);
ЖД техника: Путевой щебнеочистительный комплекс ЩОМ-6, Выправочно-подбивочно-рихтовочные машины ВПРС-02, ВПРС-03, ВПРС-П ОАО, Механизированный отделочный комплекс МОК, ВПРС-10;
Коммунальные машины: Многофункциональные уборочные универсальные машины КО-823, Машины комбинированные КО-713, Машины илососные серии КО-530, Подметально-уборочная машина "Пума", Дорожные машины ЭД-405, ЭД-403, ЭД-244, ЭД-410, ЭД-226, КДМ-130;
Мусоровозы: КО-449, МКМ-3501;
Оборудование погрузочно-разгрузочное: МПР-1, МПР-2, МПР-3;
Погрузчики: Фронтальный погрузчик А-332А, Фронтальный погрузчик А-333.2, Фронтальный погрузчик А-333.3, Машина погрузочная универсальная Амкодор 37 (МПУ-1) и другие варианты применяемости гидромашины серии 310.(3)4.56
